Skipknop
| Project Skipknop | |
|---|---|
| Draadloze zuinige skip/volumeknop over ESP-Now | |
| Status | Completed |
| Contact | Kartoffel |
| Last Update | 2022-12-03 |
| Uitvoering | Skip | Wifiskip | EspNowSkip | Skipknop |
|---|---|---|---|---|
| Gemaakt | 2013 | 2015 | 2018/2019 | 2020 |
| Status | Verouderd | Onbekend | In gebruik | In gebruik |
Overzicht
Als cadeautje voor het Hoera10jaar feestje heb ik namens Hackalot een fijne skipbutton cadeau gedaan.
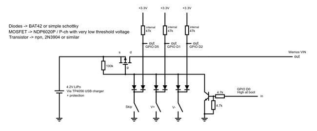
De skipknop verbruikt standaard praktisch 0 stroom (naast leakage van de accu en een mosfetje). Zodra je een knop bedient krijgt een Wemos D1 Mini stroom, welke vervolgens via een transistortje zijn voeding aan kan houden zo lang dit nodig is. In de praktijk is dit enkele honderden milliseconden, omdat het skipbericht via ESP-Now verstuurd wordt. Meer informatie hierover, en over de ontvanger op ESP-Now.
Functies van de knoppen:
- Vuistslagknop (dome)
- Kort indrukken: Skip naar het volgende nummer
- Ingedrukt houden: Stop de playback
- Nog langer ingedrukt houden: Shuffle de playlist
- Boven
- Kort indrukken: Volume omhoog
- Ingedrukt houden: Elke seconde volume omhoog
- Onder
- Kort indrukken: Volume omlaag
- Ingedrukt houden: Elke seconde volume omlaag
Willekeurige eigenschappen:
- Schneider Electric drukknopkast en vuistslagknop
- Wemos D1 mini
- 1000 mAh accu
- TP4056 lader + accubeschermingsbordje
- USB laadpoort onderop
- Plakvoetjes
Waarschuwing
Mocht je de skipknop openmaken, plug de wemos dan niet zomaar in een USB poort!
Dit kan enkel zo lang er geen knoppen bediend worden, omdat je anders de accu gaat backfeeden door het wemosje heen. Dit heeft waarschijnlijk al een wemosje gekost.
Als je de wemos opnieuw wilt flashen, zorg dan dat de knoppen absoluut niet bediend worden en meet even of er geen accuspanning op de 5V ingang van de wemos staat. Hierna kan je de wemos aan je computer verbinden, maar let op dat de knoppen niet per ongeluk indrukt worden zolang de wemos aan je computer verbonden is.
Schakeling

Geïnspireerd door de skipknop van bitlair. Bedankt bob!
Zie Skipknop/circuitjs voor een bestandje dat je kan openen in Circuit JS.
Ingewanden
Was je benieuwd? Alstublieft:
Code
Zie GitHub